 |
| |
|
| |
 |
銷售專線: |
0510-83726583
0510-83700572 |
| |
| 服務/建議/監督電話: |
| 15370223880 |
| |
| 郵箱:lhdz@lhdz.com |
|
| |
|
|
|
|
|
LHJCZ33-7.2D(J)Y/D400-6.3T (D) □
|
|
| |
|
該產品是額定7.2kV/400A,相間距為150mm,極間距為275mm,電保持或機械保持的移開式真空接觸器,該產品裝配于800mm寬的柜子。 |
|
| |
|
名稱 |
單位 |
數值 |
主
電
路 |
額定工作電壓(Ue) |
kV |
7.2 |
12 |
額定工作電流(Ie) |
A |
400 |
400 |
額定頻率(fr) |
Hz |
50 |
額定關合能力 |
A |
10Ie |
額定開斷能力 |
A |
8Ie |
額定短時耐受電流 |
kA |
6.3 |
額定峰值耐受電流 |
kA |
16 |
額定短路持續時間 |
s |
4 |
工頻耐受電壓 |
相間、相對地 |
kV |
32 |
42 |
真空斷口 |
kV |
32 |
42 |
雷電沖擊耐受電壓 |
kV |
60 |
75 |
控制
電路 |
額定電壓(Us) |
V |
AC或DC.110/220 |
額定功率(Ps) |
電保持 |
VA |
≤1000/100(吸合/保持) |
機械保持 |
VA |
≤900/350(合閘/分閘) |
輔助電路 |
形式 |
|
6a+6b |
額定值 |
|
AC 220V/5A |
控制電路、輔助電路對地工頻耐受電壓 |
kV |
2 |
額定操作頻率 |
長期或機械保持型 |
次/h |
300 |
短期 |
次/h |
600 |
機械壽命* |
萬次 |
30 |
電壽命 |
萬次 |
10 |
合閘時間 |
ms |
≤150 |
機械
特性 |
固有分閘時間 |
ms |
≤150(電保持)
≤60(機械保持) |
三相不同期 |
ms |
≤3 |
合閘彈跳 |
ms |
≤6 |
注:額定控制電壓亦可按用戶需要定制。 * 建議每15萬次更換輔助開關及分閘裝置; |
|
| |
外形及安裝尺寸圖 |
|
| |
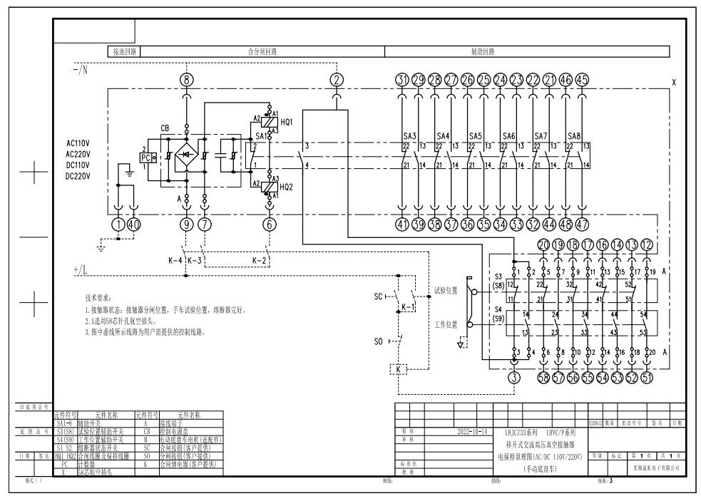
LHJCZ33(LHVCP)電保持ACDC110V220V原理圖(手動底盤車) |
|
| |
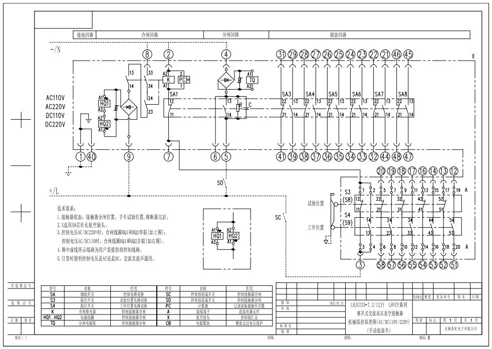
LHJCZ33(LHVCP)機械保持ACDC110V220V原理圖(手動底盤車) |
|
| |
|
| |
|