 |
| |
|
| |
 |
銷售專線: |
0510-83726583
0510-83700572 |
| |
| 服務/建議/監督電話: |
| 15370223880 |
| |
| 郵箱:lhdz@lhdz.com |
|
| |
|
|
|
|
|
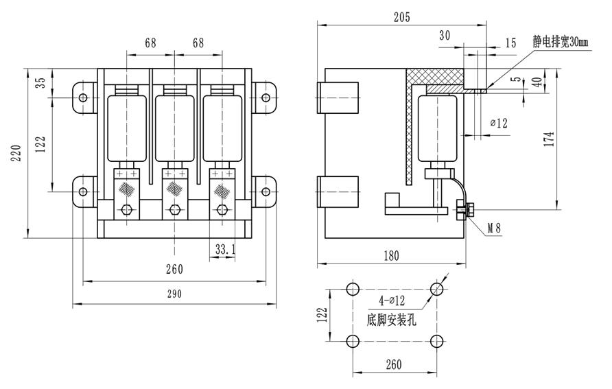
CKJ3-200A/2KV
|
|
|
主要技術參數 |
名稱 |
單位 |
數值 |
主
電
路 |
額定工作電壓(Ue) |
V |
2000 |
額定工作電流(Ie) |
A |
200 |
額定頻率(fr) |
Hz |
50 |
額定接通能力 |
A |
12Ie(AC-4) |
額定分析能力 |
A |
10Ie(AC-4) |
工頻耐受電壓 |
相對地 |
kV |
4.2 |
真空斷口 |
kV |
10 |
雷電沖擊耐受電壓 |
kV |
8 |
控制電路 |
額定電壓(Us) |
V |
220 |
額定功率(Ps)電保持 |
VA |
≤250/40(吸合/保持) |
輔助電路 |
形式 |
|
1a+1b |
額定值 |
|
AC380V/5A |
控制電路、輔助電路對地工頻耐受電壓 |
kV |
2 |
額定操作頻率 |
長期 |
次/h |
600 |
短期 |
次/h |
2000 |
機械壽命 |
萬次 |
30 |
電壽命 |
萬次 |
10(AC-3)、6(AC-4) |
機械特性 |
合閘時間 |
ms |
≤200 |
固有分閘時間 |
ms |
≤160 |
三相不同期 |
ms |
≤3 |
合閘彈跳 |
ms |
≤10 |
凈 重 |
kg |
12 |
注:額定控制電壓亦可按用戶需要定制。 |
|
| |
|
| |
|
| |
| |
|
| |
|