 |
| |
|
| |
 |
86-510-83720170 -8007 |
E-mail: lanhong@lhdz.com |
|
| |
| |
|
|
|
|
| |
NAL/NALF(12KV,17.5~24KV,40.5KV ) switch disconnector(licensed by ABB, manufactured by Wuxi Lanhong Electric Co., Ltd.) |
NAL switch disconnector (comply with IEC 60265-1:1997 GB3804-1990)
NALF fuse switch disconnector-fuse composite apparatus (comply with IEC60420:1990 GB16926-1997)
NAL switch disconnector and NALF fuse switch disconnector are high voltage switch disconnectors combined air-blast arc extinction with aerogenesis arc extinction. So far, more than 550,000 units installed worldwide are in use.
By combining NAL switch disconnector with fuse, the fuse switch disconnector possesses both advantages. NAL switch disconnector disconnects any load currents until its rated breaking current; the fuse and its striker break any over-load current until any fuse switch disconnector’s rated short-circuit breaking current..
Manufacturer: Lanhong electric Co., Ltd. Wuxi, China (License of ABB).
Manufactured by ABB factory in Poland.
|
NAL12 / NALF12 |
NAL12 / NALF12系列 (GB)
NAL17.5/NALF17.5系列(IEC) |
NAL24 / NALF24 |
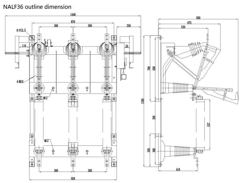
NAL36 / NALF36 |
NAL12 |
NAL12 |
NAL24
|
NAL36
|
NALF12
|
NALF12
|
NALF24
|
NALF36 |
| Experiment report |

NAL12 |

NALF12 |

NAL36 |

NALF36 |

NAL24
|

Technical Authorization
of ABB |
|
|
|
| |
|
| |
|
| |
|
| |
|
| |
Type |
A |
A1 |
A2 |
A3 |
B |
H2 |
K |
K1 |
M |
N |
L |
P |
R |
S |
U |
V |
NAL12-K,P=150(IEC) |
166 |
320 |
362 |
394 |
90 |
510 |
310 |
63 |
412 |
122 |
164 |
150 |
375 |
350 |
75 |
33 |
NAL12-A,P=150(IEC) |
166 |
320 |
362 |
394 |
90 |
510 |
310 |
63 |
412 |
122 |
164 |
150 |
375 |
350 |
75 |
33 |
NAL12-K,P=170(IEC) |
166 |
320 |
362 |
394 |
90 |
510 |
310 |
63 |
452 |
122 |
164 |
170 |
375 |
390 |
75 |
33 |
NAL12-A,P=170(IEC) |
166 |
320 |
362 |
394 |
90 |
510 |
310 |
63 |
452 |
122 |
164 |
170 |
375 |
390 |
75 |
33 |
NAL12-K,P=210(IEC) |
166 |
320 |
362 |
394 |
90 |
510 |
310 |
63 |
532 |
122 |
164 |
210 |
375 |
470 |
75 |
33 |
NAL12-A,P=210(IEC) |
166 |
320 |
362 |
394 |
90 |
510 |
310 |
63 |
532 |
122 |
164 |
210 |
375 |
470 |
75 |
33 |
NAL24-K,P=235(IEC) |
225 |
375 |
418 |
518 |
98 |
633 |
441 |
88 |
582 |
186 |
202 |
235 |
500 |
525 |
90 |
18 |
NAL24-A,P=235(IEC) |
225 |
375 |
418 |
518 |
98 |
633 |
441 |
88 |
582 |
186 |
202 |
235 |
500 |
525 |
90 |
18 |
NAL12-K,P=170(GB) |
225 |
375 |
418 |
518 |
98 |
633 |
441 |
88 |
452 |
140 |
176 |
170 |
500 |
396 |
90 |
18 |
NAL12-A,P=170(GB) |
225 |
375 |
418 |
518 |
98 |
633 |
441 |
88 |
452 |
140 |
188 |
170 |
500 |
396 |
90 |
18 |
NAL12-K,P=210(GB) |
225 |
375 |
418 |
518 |
98 |
633 |
441 |
88 |
532 |
140 |
176 |
210 |
500 |
476 |
90 |
18 |
NAL12-A,P=210(GB) |
225 |
375 |
418 |
518 |
98 |
633 |
441 |
88 |
532 |
140 |
188 |
210 |
500 |
476 |
90 |
18 |
NAL24-K,P=275(GB) |
225 |
375 |
418 |
518 |
98 |
633 |
441 |
88 |
782 |
170 |
176 |
275 |
500 |
726 |
90 |
18 |
NAL24-A,P=275(GB) |
225 |
375 |
418 |
518 |
98 |
633 |
441 |
88 |
782 |
170 |
188 |
275 |
500 |
726 |
90 |
18 |
|
| |
Type |
H |
H0 |
H1 |
A4 |
B1 |
U1 |
K5 |
NAL12KV-E type with Earthing Switch(IEC) |
220 |
689 |
360 |
245 |
55 |
60 |
130 |
NAL12KV-E type with Earthing Switch(GB) |
220 |
800 |
473 |
310 |
55 |
63 |
104 |
NAL24KV-E type with Earthing Switch(GB) |
325 |
930 |
578 |
295 |
55 |
166 |
247 |
|
| |
|
| |
|
| |
Type |
Fuse |
C |
D |
R1 |
kV |
Length |
NALF12KV(IEC) |
12 |
292 |
174 |
375 |
NALF12KV(GB) |
12 |
292 |
258 |
375 |
NALF24KV(GB) |
24 |
442 |
363 |
525 |
|
| |
Type |
H3 |
H4 |
H5 |
NALF12KV-E(IEC) |
871 |
1200 |
206 |
NALF12KV-E (GB) |
956 |
1285 |
180 |
NALF24KV-E (GB) |
914 |
1275 |
180 |
|
| |
|
| |
|
| |
NAL36-E |
| |
NALF36-E |
| |
|
| |
|
| |
|
| |
|
| |
|
| |
Transformer capacity |
Primary voltage of transformer |
(KVA) |
12KV |
24KV |
36KV |
|
Rated current(A) |
Rated current(A) |
Rated current(A) |
25 |
|
6 |
6 |
50 |
10 |
6 |
6 |
75 |
16 |
6 |
6 |
100 |
16 |
10 |
6 |
125 |
16 |
10 |
6 |
160 |
20 |
16 |
10 |
200 |
20 |
16 |
10 |
250 |
25 |
16 |
16 |
315 |
31.5 |
20 |
16 |
400 |
40 |
20 |
16 |
500 |
50 |
25 |
25 |
630 |
63 |
31.5 |
25 |
800 |
80 |
40 |
25 |
1000 |
100 |
50 |
40 |
1250 |
125 |
63 |
40 |
1600 |
|
80 |
|
|
|
|
|
|
| |
| |
|
| |
|